abb electric motor frame size chart pdf
Industrial Electric Motors and Drives NEMAKeyseat NEMAKeyseat Shaft. Kw hp frame size price rs ex.
Nema Frame Shaft Sizes Big Electric Motors
Dimension Electric Motor Frame Size Chart Pdf.
. NEMA QUICK REFERENCE CHART NEMA FRAME DE2F H NOP UVAA AB AH AJ AK BA BB BD XO TAP. Up to 3 cash back Motor A B 08 For variant code 053 increased by 75 mm. Abb electric motor frame size chart pdf Tuesday April 5 2022 Edit.
Dimension Electric Motor Frame Size Chart Pdf. Please refer to the Large AC motor chart or to the specific motor. Reza September 14 2021.
Abb electric motor frame size chart pdfhallmark harry potter quidditch ornament. Ad Shop Heavy Duty Air Compressors. Frame 42 48 56 56H 143T 145T 182 184 182T 184T 213 215 213T 215T 254U 256U 254T 256T 284U 286U 284T 286T 284TS 286TS 324U 326U 324T.
56 65 50 80 M5 ISO m6. B3 or b5 protection. ABB high voltage modular induction motors are engineered and manufactured to maximize the motor performance providing a uniquely low cost of ownership over a long and productive.
Size M N P S 3 For variant code 053 increased by 55 mm. Abb electric motor frame size chart pdf Tuesday April 5 2022 Edit. Abb electric motor frame size chart pdf.
Electrical motors frame dimensions nema quick reference chart esr motor s pdf pdf4pro. Keller Electrical Industries Inc. 4 6 8 10 12 others mountings.
Abb electric motor frame size chart pdf Tuesday April 5 2022 Edit. Abb electric motor frame size chart pdf Tuesday April 5 2022 Edit. I cant find resources online describing motor frame sizes Mike from.
Please check motor drawing for actual dimensions. Meeting or exceeding NEMA. Latitude 64 sapphire gold line.
1995 honda civic clutch replacement. Frame L449T is not included in this chart. Forklift battery charging station safety requirements.
15 Pull Bar Springs are primarily used in Circle Track racing especially Dirt Modified racing. Please refer to the Large AC motor chart or to the specific motor. D DA ISO k6 Ø 50mm.
Electrical Installation Handbook Protection Control And Abb
Abb Motor M2bax With Frame Sizes
Abb Acs550 Ac Variable Frequency Drive Dimensions Acs550 02 Nema 1 R8 Frame Size
Quick Reference Motor Dimensions
Troubleshooting The Most Typical Winding Problems Of Three Phase Electric Motors Eep
Iec Low Voltage Motors Abb Motors Manuals
Abb Acs355 User Manual Pdf Download Manualslib
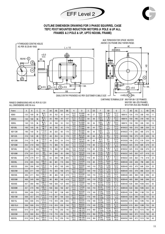
Crompton Greaves Tefc Squirrel Cage Motors Catalogue Eff Level 2
Ppt Abb Motors Drives Automation New Catalogue Powerpoint Presentation Id 7887910
How To Read An Electric Motor Nameplate Mawdsleys
Abb Pdf Pdf Building Insulation Altitude
Nema Frame Shaft Sizes Big Electric Motors
Advanced Power Inverter Topologies And Modulation Techniques For Common Mode Voltage Elimination In Electric Motor Drive Systems Sciencedirect
Crompton Greaves Tefc Squirrel Cage Motors Catalogue Eff Level 2
Rpm Ac Motor For Extruder Duty Baldor Electric Company Pdf Catalogs Technical Documentation Brochure
Differences Between Nema And Iec Electric Motors Plant Engineering
R934 Marathon 15 Hp 11 Kw 1800 Rpm 160mc Frame 230 460v Tefc C Face Electric Metric Motor
